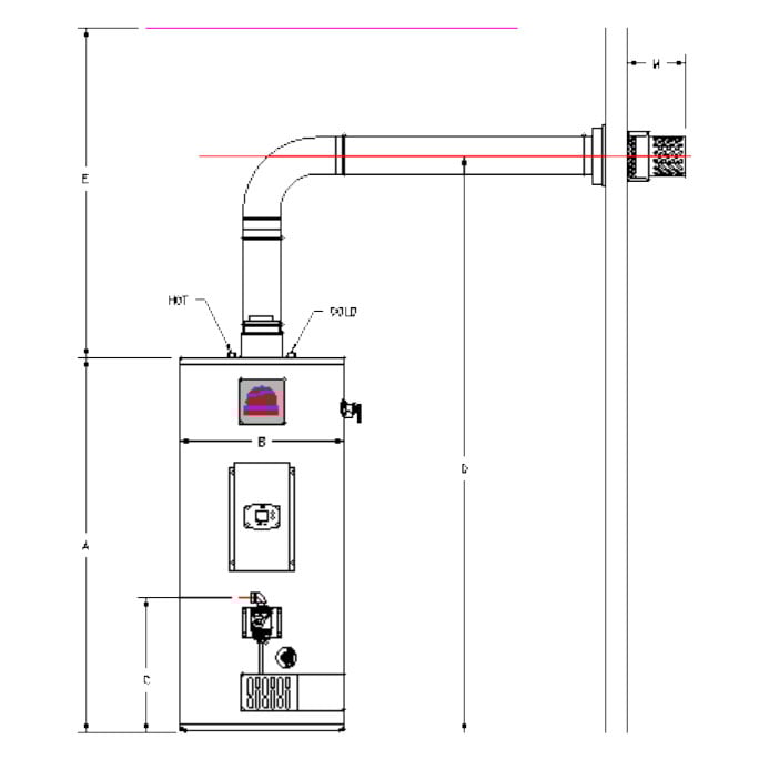
The Andrews Water Heaters CLASSICflo BALANCED offers all the benefits of the standard CLASSICflo range, with the added advantage of a balanced flue system.
Its concentric flue draws combustion air directly from outside the building, ensuring safe and efficient operation even in environments where internal air may be contaminated. This makes it an ideal solution for locations such as dry cleaners, hair salons, supermarkets, and other commercial spaces where chemicals or airborne contaminants are present.





